ZY-LZ金屬管轉子流(liú)量(liàng)計(jì)
產品特點:
金屬管浮子流表采用可(kě)變麵積式測量原理生產研究,適用於測量液體,氣體。全金屬結構,有指示型(xíng)、電遠傳型、耐腐型、高壓型、夾套型、防爆型。具有 0-10mA,4-20mA的標準模擬量信號(hào)輸出和現場指示。累積,數字通訊,現場修改測量參數,不同的供電方式功能,帶有磁性過(guò)濾器和特殊規格品種。
產品(pǐn)應用:廣泛應用於,石油(yóu)、化(huà)工、發電(diàn)、製藥、食品、水處理(lǐ)等。複雜,惡劣環境條件,及各種介質條件的流量測量過程中。
.jpg)
ZY-LZ金屬管轉子流量計的傳感器部分可采用不鏽鋼(1Crl8Ni9Ti)、鉬二鈦(316、316L),以(yǐ)及內襯(chèn)聚四氟乙烯等材料,根據用戶要求也(yě)可用特殊材料製造,以適應腐蝕性流體(如氯氣、鹽水、鹽酸、硝酸和硫酸等)的流量測(cè)量。
ZY-LZ金屬管轉子流量計是采用可變麵積(jī)式(shì)測量原理,用於連續測量封閉管道中的液體和氣體(tǐ)的體積流(liú)量。具有結構堅固可靠、適用溫(wēn)度範圍廣、精度高、價格便宜(yí),能適用(yòng)多種場合的流(liú)量測量等特點。本係列為現場指(zhǐ)示型,有下進上出、左進(jìn)右出和(hé)下進側(cè)出三種安裝形式。可廣泛適用於國(guó)防、化工、石油(yóu)、冶金、電力、環保、醫藥和輕工業等部門的液體(tǐ)、氣體流量測量。
電(diàn)遠(yuǎn)傳型金屬管浮子流量計輸出為4~20mA標準電流信(xìn)號,可與DDZ-II或DDZ-III電動單元組合儀表配套使用,也可直接輸出計算機係統,參與係統的監控。本儀表可根據用戶需求,加裝上下限報警。
一、金屬管轉(zhuǎn)子流量計測量(liàng)原理(lǐ):
| ZY-LZ金屬管轉(zhuǎn)子流量計(jì)的浮(fú)子垂直(zhí)安裝(zhuāng)在錐形測量管內,由於流體的作用,它可以在錐形管中上下自由移(yí)動,浮子的外緣直徑與(yǔ)錐形管形成的環形麵積隨著浮子位置的變化而變化,當流體的流量穩定在某一數值時,浮(fú)子也(yě)在某一個(gè)位置(zhì)處於一種動平衡狀態,它與錐形管之間的環形麵積也保持(chí)恒定(dìng),此時,浮子受到三個力的作用:浮(fú)子向(xiàng)下的(de)重量W,向上的浮力F和流體的動力P,這三個力達到平(píng)衡。根據流體動力學的柏努力方程,力平衡方(fāng)程和流(liú)體的連續性定理,可(kě)以計算出流體通過環形麵積的平均瞬時流量。 | |
二(èr)、主要(yào)技術參數:
| 1、基(jī)型金屬管轉子流(liú)量計: (1)測量範圍:水(20℃) 2.5~150000L/h、 空氣(20℃,0.1013MPa)0.07~4000Nm3/h; (2)量程比:10:1; (3)精度:1.5/2.5; (4)工作壓力:≤6.4MPa; (5)工作溫度(dù):-40~350℃(氟塑料襯裏-10~80℃); (6)環境溫度:-20~80℃; (7)介質粘度(dù):DN15≤5mPa.S、DN25~DN150≤250mPa.S; (8)管體材質:1Cr18Ni9Ti,316L,內襯PTEF等; (9)過程(chéng)連(lián)接:法蘭,或(huò)按用戶提(tí)供; (10)蒸汽夾套頭:法蘭(lán):DN15/PN1.6,或(huò)按用(yòng)戶提供。 | 2、帶遠傳金屬管轉子流量計: (1)基(jī)本誤差:1.5%F.S; (2)輸出信號:4 ~ 20mA; (3)負載阻抗:350Ω; (4)電源(yuán)電壓:24V DC; (5)環境溫度:-30 ~ 80℃; (6)出線口:M20×1.5; (7)防爆標誌:ExibIICT4;
|
三、金屬管轉子流量計(jì)計外形尺寸圖:
| | | | | |
| 下進上出 | 防腐型 | 上進下出 | 下進側出 | 夾套(tào)型 | 水平安裝 |
| 通徑 (DN) | L (mm) | H (mm) | B (mm) | |
| 15 | 150 | 250 | 220 | |
| 25 | 150 | 250 | 230 | |
| 50 | 175 | 250 | 270 | |
| 80 | 210 | 250 | 300 | |
| 100 | 230 | 250 | 320 | |
| 150 | 265 | 400 | 360 | |
| 200 | 300 | 500 | 390 |
四、金屬管浮(fú)子流(liú)量計流量範圍表(biǎo):
| 通(tōng)徑(mm) | 流 量 範 圍 | 壓力損(sǔn)失kPa | |||
| 水L/h | 空(kōng)氣M3/h | 水 | 空氣 | ||
| 常規型 | 防腐型 | 常規型、防腐型 | |||
| DN15 | 2.5~25 | --- | 0.07~0.7 | 6.5 | 7.1 |
| 4.0~40 | 2.5~25 | 0.11~1.1 | 6.5 | 7.2 | |
| 6.3~63 | 4.0~40 | 0.18~1.8 | 6.6 | 7.3 | |
| 10~100 | 6.3~63 | 0.28~2.8 | 6.6 | 7.5 | |
| 16~160 | 10~100 | 0.40~4.0 | 6.8 | 8.0 | |
| 25~250 | 16~160 | 0.7~7.0 | 7.2 | 10.8 | |
| 40~400 | 25~250 | 1.0~10 | 8.6 | 10.0 | |
| 63~630 | 40~400 | 1.6~16.0 | 11.1 | 14.0 | |
| DN25 | 100~1000 | 63~630 | 3~30 | 7.0 | 7.7 |
| 160~1600 | 100~1000 | 4.5~45 | 8.0 | 8.8 | |
| 250~2500 | 160~1600 | 7~70 | 10.8 | 12.0 | |
| 400~4000 | 250~2500 | 11~110 | 15.8 | 19.0 | |
| DN40 | 500~5000 | --- | 12~120 | 10.8 | 9.8 |
| 600~6000 | ---- | 16~160 | 12.6 | 16.5 | |
| DN50 | 630~6300 | 400~4000 | 18~180 | 8.1 | 8.6 |
| 1000~10000 | 630~6300 | 25~250 | 11.0 | 10.4 | |
| 1600~16000 | 1000~10000 | 40~400 | 17.0 | 15.5 | |
| DN80 | 2500~25000 | 1600~16000 | 60~600 | 8.1 | 12.9 |
| 4000~40000 | 2500~25000 | 80~800 | 9.5 | 18.5 | |
| DN100 | 6300~63000 | 4000~40000 | 100~1000 | 15.0 | 19.2 |
| DN150 | 20000~100000 | --- | 600~3000 | 19.2 | 20.3 |
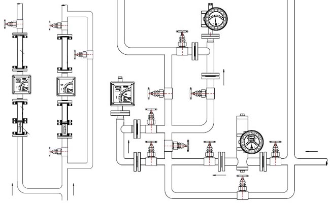
五、金屬管浮子流量計安裝示意圖:
六、金屬管轉子流量計選型表(biǎo):
| ZY-LZ | 金屬管轉(zhuǎn)子流(liú)量計 | ||||||||||||||
| 口徑 (mm) | 15 | DN15 | 80 | DN80 | |||||||||||
| 25 | DN20 | 100 | DN100 | ||||||||||||
| 40 | DN40 | 150 | DN150 | ||||||||||||
| 50 | DN50 | 200 | DN200 | ||||||||||||
| 結構形(xíng)式 | / | 下進上出 | AA | 側進側出 | |||||||||||
| H1 | 左進右出 | LA | 低進側出 | ||||||||||||
| H2 | 右進左出 | S | 螺紋安裝 | ||||||||||||
| M | 衛生型快裝式 | ||||||||||||||
| 本體材質 | R1 | 321不鏽鋼 | RH | 哈氏合(hé)金C | |||||||||||
| R4 | 304不鏽鋼 | RT | 鈦 | ||||||||||||
| R6 | 316不鏽鋼 | RF | 不鏽鋼襯四氟 | ||||||||||||
| 指示器類型 | 7 | 指針顯示瞬時流量(liàng) | |||||||||||||
| 9 | LCD顯示瞬時與累積 | ||||||||||||||
| 供電(diàn)及輸出信(xìn)號(hào) | K | 4~20mA DC24V | |||||||||||||
| Z | 4~20mA DC24V+HART協議 | ||||||||||||||
| D | 鋰電池供電帶液晶表頭 | ||||||||||||||
| 報警輸出 | / | 無報警輸出 | |||||||||||||
| 1 | 帶一個報警輸出(chū) | ||||||||||||||
| 2 | 帶兩個報(bào)警輸出(chū) | ||||||||||||||
| 測量介質 | L | 液體(tǐ) | |||||||||||||
| G | 氣體 | ||||||||||||||
| 附加選項 | T | 測量管帶保(bǎo)溫(wēn)夾套 | |||||||||||||
| B | 防爆(ExII CT6) | ||||||||||||||






